寻有铝合金压铸加工厂,需要开模具,模具和加工单价分开评估
2024-08-15 本站作者 【 字体:大 中 小 】
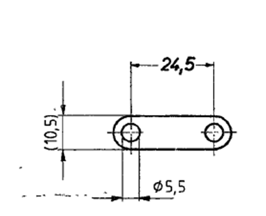
寻有铝合金压铸加工厂,需要开模具,模具和加工单价分开评估,数量可以按起订量报价,如图,铝合金材质的,26.5*10.5*2.5MM,2孔片,我司在东莞,东莞这边有做铝合金压铸联系


猜你喜欢
寻做压铸铝拉白的加工厂,量有8千个左右,小件,如图产品
2024-04-22
859
859
寻铸铁加工厂,量有100件,如图,HT250材质,包工包料
2025-03-03
1032
1032
寻找深莞惠地区紫光镭雕加工厂,量每天有2500件
2023-01-12
1007
1007
寻找铸造工艺的加工厂,每款8000件月需求,一起有八款,材质是铝的
2025-05-19
792
792
寻惠州仲恺附近镭雕加工厂,目前这批这款有四万件
2022-05-14
753
753
寻求深莞做锌合金ZA一27材料压铸加工厂,量是长期的
2021-07-13
982
982
寻求铝合金压铸加工厂,每款月用量几千件到几万件不等,款式比较多
2025-05-08
937
937
寻求镭射真皮材料不发黑的加工厂,长期在做货的
2022-03-25
978
978
寻铸造加工厂,首单5万件,铜板,长110mm宽25mm。厚5mm,4个1.0x3长条通孔
2025-03-17
700
700
寻求锻压工艺的加工厂,一天三万件~五万件,材质是1060铝的,包工包料
2024-08-26
1052
1052 