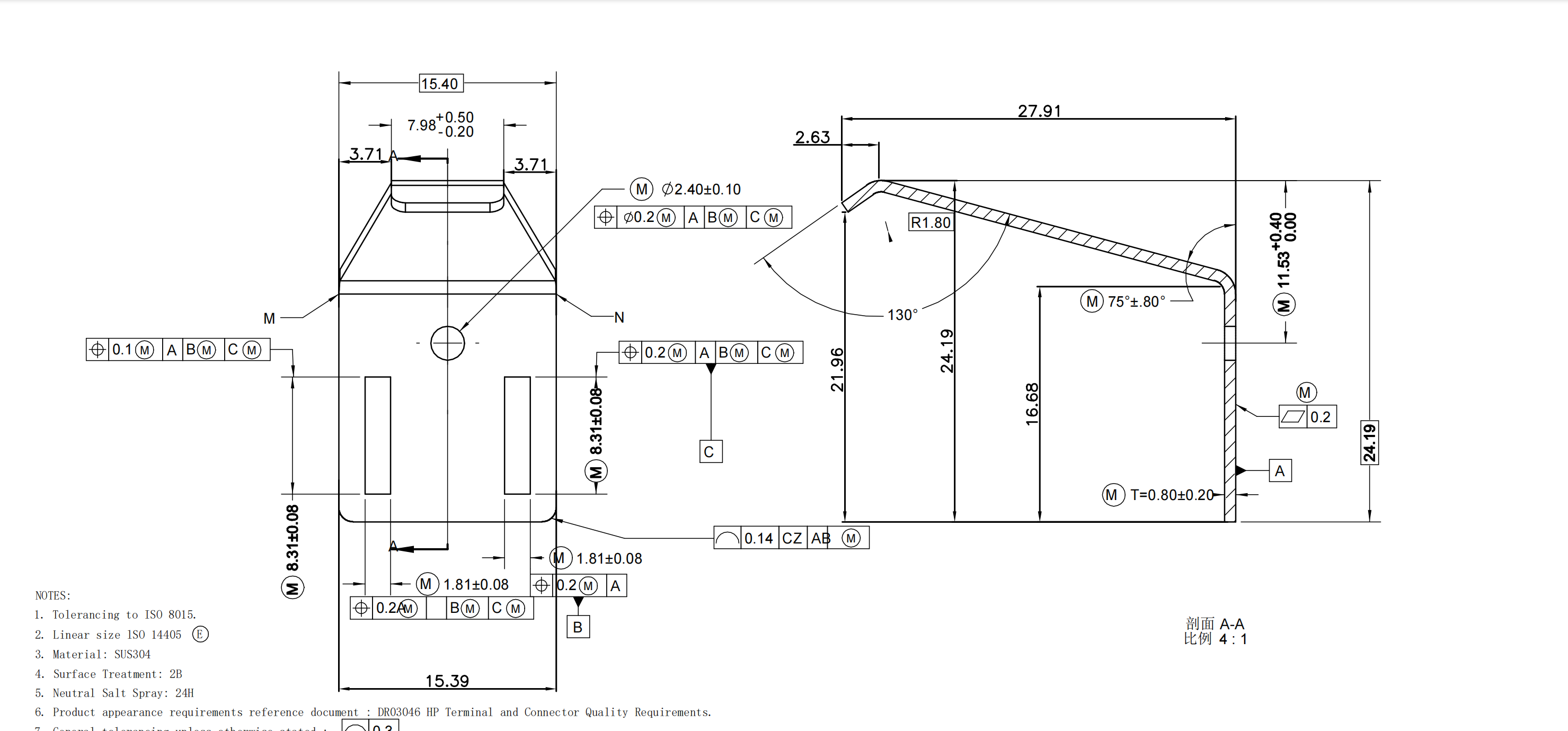
寻能喷铁氟龙的加工厂,一次2万个,不锈钢304材质,两种方案如下1.增加喷铁
2025-12-24 本站作者 【 字体:大 中 小 】
寻能喷铁氟龙的加工厂,一次2万个,不锈钢304材质,两种方案如下1.增加喷铁氟龙这一道工序2.增加P
VD表面镀层工艺,镀锌为主,主要要满足以下盐雾要求,我司在东莞清溪,珠三角地区有做的联系

猜你喜欢
寻找江门地区喷漆加工厂,量每月有1千多平方这样,不定量发的
2022-02-16
779
779
寻求深圳沙井,东莞长安静电喷油的加工厂,打样OK,一个月几万套
2021-05-14
830
830
寻找江苏苏州附近地区喷涂加工厂,目前先做3块,后期确定才会有量
2022-02-21
836
836
寻求惠州石湾附近喷粉加工厂,量不定,最好可以长期配合的
2022-03-07
1127
1127
寻求深圳龙岗或周边近点地区喷油加工厂,有一款普通油是有6千套
2021-01-14
1007
1007
寻求大岭山附近喷粉加工厂,量比较大,产品是钣金件
2021-06-21
684
684
寻求石碣附近有做铁氟龙表面处理喷涂的加工厂,具体量客户这边没有说
2021-09-07
751
751
寻求东莞常平、横沥、东坑、桥头附近地区喷小枪的喷油加工厂
2021-06-07
664
664
寻求五金喷油加工厂,要求一天量产可以达到1500~2000套
2021-05-07
1275
1275
寻求长安及周边的喷油加工厂,目前暂时处于小批量加工
2021-01-17
923
923 