寻苏州地区能做丝印模板跟丝印表面处理的加工厂
2023-04-07 本站作者 【 字体:大 中 小 】
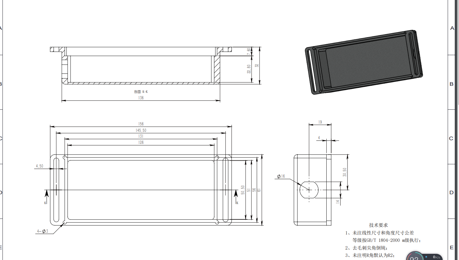
寻苏州地区能做丝印模板跟丝印表面处理的加工厂,目前需要打样十件样板,打样OK后续有量的,我司这边这边大概有20来个品种的产品需要加工,材质是铝5052的,要求丝印字体,logo,同时我还有其他一些丝印模板需要做。厂家能做直接模板费用加单个丝印的费用就好 ,我司在苏州,需要找苏州周边的配合的,现在在开会,厂家能做可今晚8点后电话联系,也可以加微信

猜你喜欢
寻找东莞厚街附近地区抛光加工厂,批次量不是很大
2021-10-20
722
722
寻求深圳光明附近电解加工厂,需求量15000件,材质403的
2021-01-11
1113
1113
寻求不锈钢弹片夹具脱漆清洗加工厂,目前预估有四千多件
2022-03-29
670
670
寻求大岭山附近清洗加工厂,量还可以,开始可能一个月五千到一万件
2021-08-05
717
717
寻找重庆地区表面处理加工厂,每月有4百公斤左右
2022-03-28
844
844
寻找做如图效果表面处理的加工厂,数量不多,大概有500来件
2021-06-16
764
764
寻求深圳普通抛光加工厂,目有一千多件,后面还有量的
2022-02-23
639
639
镜面抛光外发加工,每月三万~五万件,目前手上有6000~7000件
2021-01-14
898
898
寻求广东肇庆,佛山不锈钢电解加工厂,这一批有一千件
2022-04-22
1055
1055
寻找东莞清溪或周边地区脱漆加工厂,目前有3千件
2022-03-04
642
642 相关推荐
