寻能做cnc(车床,铣床,五轴机都可以)。月需求30万件
2023-11-03 本站作者 【 字体:大 中 小 】
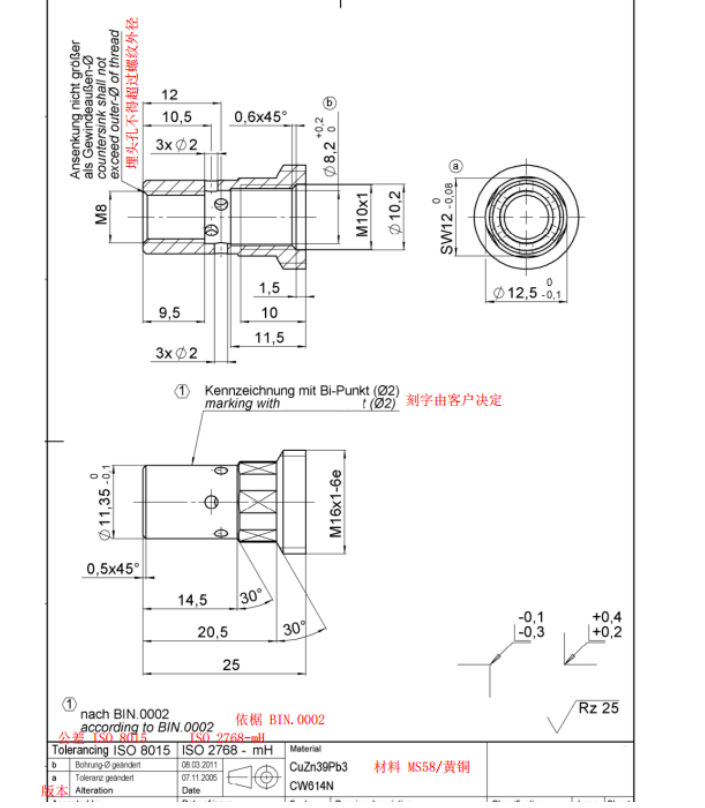
寻能做cnc(车床,铣床,五轴机都可以)。月需求30万件,黄铜材质的,如图,包工包料,不含税报价,我司在东莞塘厦,具体工艺没有要求,能出成品,加工合适就可以,东莞周边有做联系,OK可以直接报价

猜你喜欢
寻找东莞塘厦或周边地区自动车床加工厂,量是很大的
2021-10-27
1017
1017
寻求自动车床加工厂,量目前五万件,材质是铝6061
2021-07-30
1014
1014
寻求东莞附近车床加工厂,量五百件,材质是45号钢的
2021-05-06
1054
1054
寻求五金冲压加工厂,有两款冲压件,每款年需求量各300万件
2021-11-19
666
666
寻求钝化加工厂,打样OK,每月预计有十多万货款
2021-08-04
1057
1057
寻求深惠莞有做59铜棒原料+加工一体化生产商,量还可以的
2021-08-03
1043
1043
寻求深惠莞附近有做产品图的加工厂,月需求五万~十万件
2021-10-09
953
953
寻求稳定,长期的机加工的合作加工厂,新开发的产品,先打样
2021-05-08
681
681
寻求凸轮走心机做产品图的加工厂,年需求量八十万件
2021-05-20
627
627
寻求广东区域冲压拉伸和螺母加工厂,前期需求量有一百万套
2021-09-18
747
747 