数控车床外发加工,目前有一万件,长期订单量
2023-11-22 本站作者 【 字体:大 中 小 】
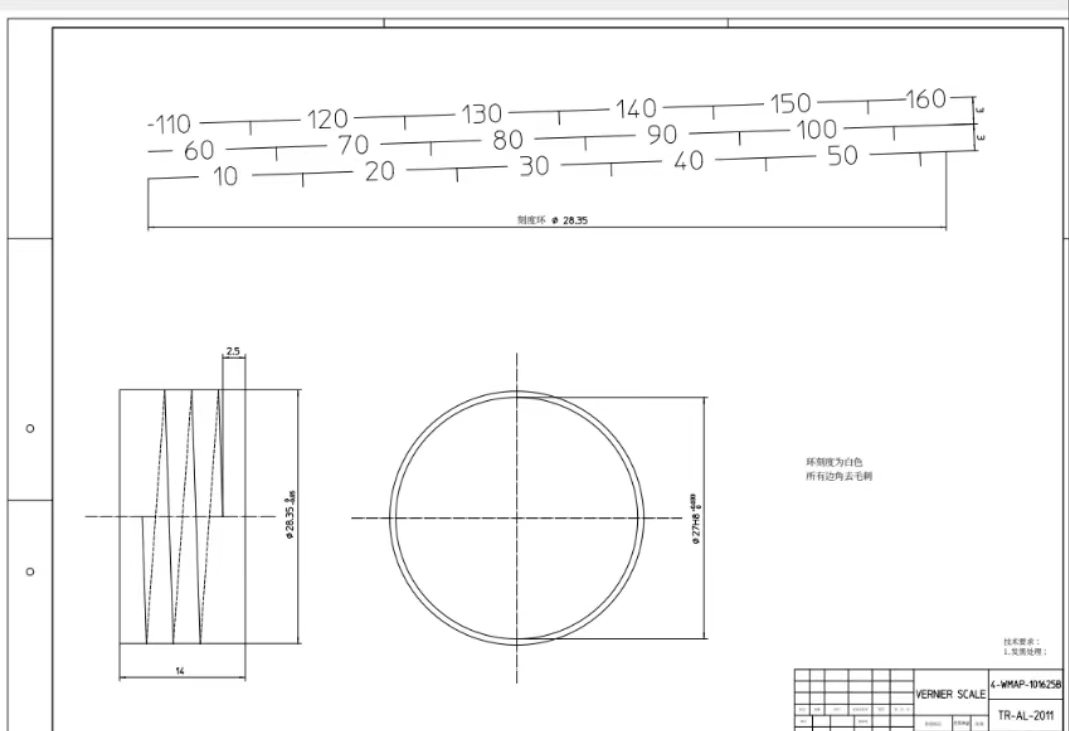
数控车床外发加工,目前有一万件,长期订单量,材质是6061铝的,如图,厂家按图纸技术要求加工,我司在河北涿州,对加工厂无地区要求,价格合适能接受就OK

猜你喜欢
寻求专业做五金钣金的配合加工厂,量每月基本都有50台非标设备要加工的
2021-10-10
1008
1008
求3kw的CK0640自动仪表车床加工厂,量比较大
2021-08-12
1027
1027
寻求激光切割+焊接+喷粉的加工厂(可以分开外发),目前量有1000套
2021-07-12
729
729
寻求五金冲压加工厂,有两款冲压件,每款年需求量各300万件
2021-11-19
644
644
寻找浙江宁波附近地区抛光加工厂,目前的量每天7-8个人抛没问题
2021-08-17
1010
1010
寻找东莞大岭山地区内孔珩磨加工厂,量每月有几千套
2021-11-23
865
865
寻求横沥周边开型材模的加工厂,目前先做500件
2021-11-25
897
897
寻求深惠莞cnc加工厂,量目前有50套,一套50个工件
2021-10-12
1053
1053
寻求专业做组装的加工厂,每月都有七千~八千套
2021-11-15
644
644
寻求进口双头精密数控车床的合作加工厂,有量的
2021-10-22
907
907 