粉末冶金外发加工,月需求32万件,材质是不锈钢的
2023-11-24 本站作者 【 字体:大 中 小 】
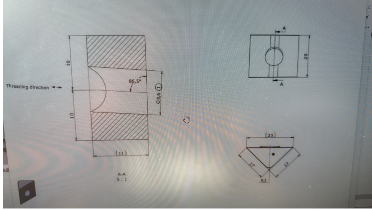
粉末冶金外发加工,月需求32万件,材质是不锈钢的,需要开模具,包工包料量产做货,模具和加工费可以分开评估,厂家按图纸加工,我司在东莞凤岗,深惠莞周边有能做粉末冶金的联系,微信同号

猜你喜欢
寻求东莞地区做不锈钢冲压拉伸的加工厂,预计上百万件电子烟雾化管需要做
2021-07-31
1095
1095
寻求福永,沙井,公明周边做探头高光的加工厂,长期单
2021-11-12
860
860
寻求广东地区做不锈铁拉伸的加工厂,小批1万件,产品如图
2021-07-17
1024
1024
寻找珠三角地区做广告机机箱钣金厂,现在是新品阶段
2021-11-03
683
683
寻求深惠莞有做电弧焊或者是打头机的加工厂,需求几十万件/三款/每月
2021-10-22
726
726
寻求可以做产品图的加工厂,产品比较大件,每月都有
2021-09-28
821
821
寻找钻孔攻牙加工厂,产品月用量200万件
2021-05-14
837
837
寻求长安,松岗,沙井,福永无心磨加工厂,经常有量
2021-08-20
934
934
寻找做挤出模具的加工厂,量按100.1000.5000件报价
2021-07-01
1089
1089
寻求车床加工厂,每款大概是400-1600件,款式很多
2021-07-29
856
856 