寻求做不锈钢工件的加工厂,每个月300万件,材质是不锈钢304
2023-12-07 本站作者 【 字体:大 中 小 】
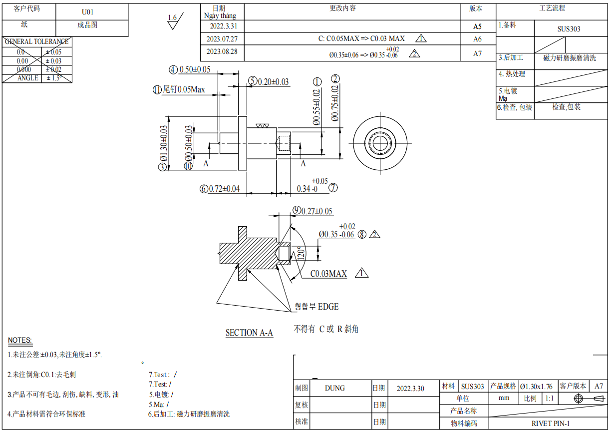
寻求做不锈钢工件的加工厂,每个月300万件,材质是不锈钢304,如图,按图纸加工包工包料,包括磁力研磨,振磨,清洗,电镀,加工成品,具体看图纸技术要求加工,我司在东莞凤岗,深惠莞周边有能做的联系

猜你喜欢
寻求清溪周边可以上门刮批锋的加工厂,量有多有少的
2021-11-20
928
928
寻求东莞企石附近机加工的加工厂,来料加工,模具基本不定量的
2021-05-14
758
758
寻求龙岗,凤岗附近电脑锣/cnc的加工厂,量有三款,先打样各一件
2021-07-23
672
672
寻求做外圆磨加工厂商,大概300件/月,如图规格
2021-10-08
774
774
寻求东莞附近机加工合作商,目前首单五百件
2021-10-15
824
824
寻找广东地区做五金螺杆+发黑的加工厂,量一年有十万件,产品是高尔夫球车螺杆
2021-05-14
847
847
寻找东莞凤岗附近地区镀AF加工厂,前期量不是很大
2021-09-07
772
772
寻求珠三角有做调节丝杆的加工厂,量现在做30件
2021-09-01
716
716
代友寻求冷镦加工厂,需求量起码也是几百K的
2021-10-11
682
682
寻求广东镀钛的电镀加工厂,打样OK,一天四五百斤
2021-07-09
1014
1014 