寻求深惠莞有专业做螺丝件的加工厂,量大,供富士康的
2023-12-28 本站作者 【 字体:大 中 小 】
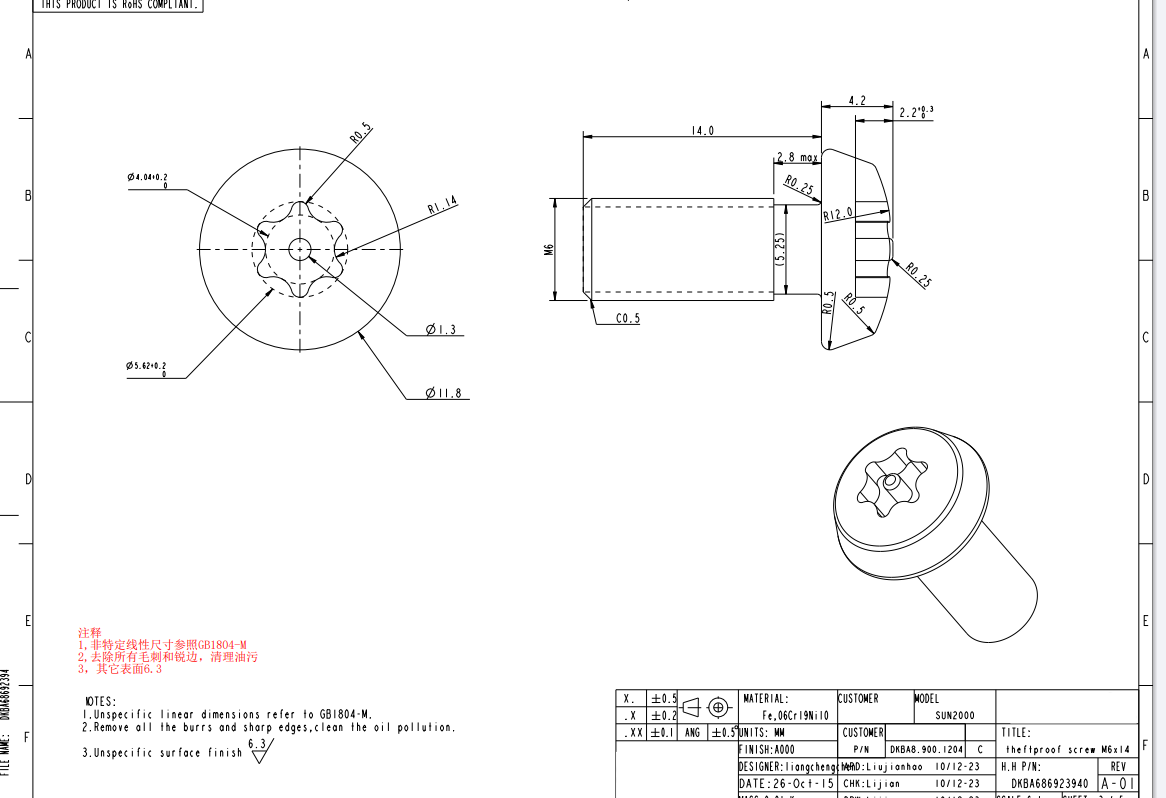
寻求深惠莞有专业做螺丝件的加工厂,量大,供富士康的,有五款,厂家先报价。每款月需求厂家至少十万件报价,材质有不锈钢的,一款是pa66尼龙素材的,包工包料,全包按图纸加工,详细看图纸,含税报价,我司在惠州园洲,地区要求深惠莞有周边有能做螺丝的联系

猜你喜欢
寻求深圳附近有做显示屏的加工厂,需求量2000件一次
2021-08-26
856
856
寻求莞惠地区做CNC车床+抛光的加工厂,大概有15万件需要做
2021-07-20
609
609
寻求东莞附近走心机加工厂,一款工件200万件起步,一共有六款工件
2021-08-30
965
965
寻求专业做五金拉伸加工厂,每月25000套左右/一套四个件
2021-11-17
1020
1020
寻求深莞激光切割的加工厂,一个月大概十万的采购金额
2021-09-17
729
729
寻求东莞附近cnc电脑锣加工厂,目前有三百套产品外发加工
2021-09-14
1063
1063
寻求长安,大岭山,虎门周边冲压和钣金加工厂,一个月十多万套
2021-11-16
807
807
寻求东莞,中山做不锈钢管的加工厂,铁管的长期单
2021-08-04
764
764
寻找东莞黄江附近地区喷油加工厂,是铝材质的产品,规格100*100,我司在东莞黄江,黄江附近有空做的联系
2021-05-14
927
927
寻求可以做打孔攻牙的加工厂,量每月六千件
2021-10-06
994
994 