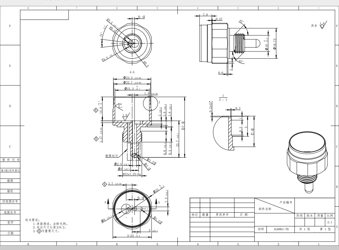
寻求做铝合金机加工的配合加工厂,需求量150万件
2024-01-02 本站作者 【 字体:大 中 小 】
寻求做铝合金机加工的配合加工厂,需求量150万件,每月出货15万件,材质是6061铝的,如图,按图加工,包工包料,含税报价的,我司在东莞大岭山,地区要求不大,主要是价格合理,能接受的,品质做的好的,最好是深惠莞周边的,微信同步

猜你喜欢
寻找东莞石碣附近地区滚印加工厂,目前是在打样阶段
2021-11-19
785
785
寻求东莞地区做手机制程模切保护膜加工厂,一个月大概二三十万
2021-10-08
883
883
寻找做弯管的加工厂,量先做50套样品,一套两件,后续每批量一千多套
2021-05-12
895
895
寻求宝安附近及黄江,长安附近机加工cnc加工厂,量挺大的
2021-07-30
709
709
寻求深惠莞附近专业开五金连续模具的加工厂,目前是有要开两套
2021-07-13
920
920
寻求冲压加工厂,量还可以的,材质是不锈钢304的卷料
2021-07-22
651
651
寻求做产品图的加工中心加工厂,量比较大,每批上万件
2021-08-24
953
953
寻找珠三角地区做广告机机箱钣金厂,现在是新品阶段
2021-11-03
659
659
寻求塘厦,凤岗,清溪周边做产品图的加工厂,量是很多的
2021-11-11
886
886
寻求深惠莞附近冷镦加工厂,月需求量20万套(1套两个工件)
2021-09-16
1023
1023 