寻能做20D扣冲毛胚的五金件加工厂,月用量是150K
2024-01-04 本站作者 【 字体:大 中 小 】
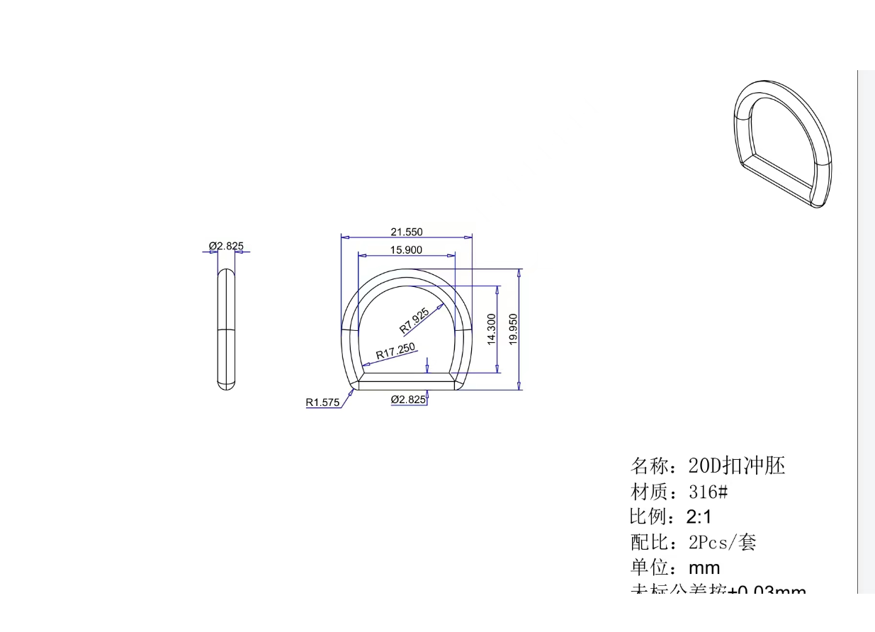
寻能做20D扣冲毛胚的五金件加工厂,月用量是150K,材质是不锈钢316的,如图,包工包料直接加工成品,价格合理有优势就可以,我司在东莞的,深惠莞周边有厂家能做请联系

猜你喜欢
寻求做产品图的五金加工厂,一个月两百万件,材质是1006钢的
2021-05-31
1033
1033
寻求五金厂做五金件的合作厂,月需求100k套,一套四个件
2021-09-04
900
900
寻求东莞万江周边钣金加工厂,量一个月可以做几百套设备的
2021-11-15
832
832
寻求东莞周边专业齿轮的加工厂,量不多,如图,材质是钢的
2021-11-01
672
672
寻求深惠莞挂镀黑镍的电镀加工厂,量这一批有五六千件,要先打样的
2021-08-25
1137
1137
寻求钣金加工厂,量不多的,付款好
2021-05-11
858
858
寻求中山激光焊接的加工厂,材质是不锈钢304的厚度是0.3mm,中山有可以做的请联系
2021-05-14
768
768
寻求有做植绒的加工厂,量还比较大,具体要看客户的订单量
2021-11-18
969
969
寻求深惠莞附近有做塑胶模具的加工厂,一个月大概开1-2套模具
2021-07-14
1088
1088
寻求数控车床的加工厂,需求量目前有4000套,一套三个工件
2021-08-16
634
634 