寻机加工生产商。批次6万套,一套八个件,材质是T2紫铜的
2024-01-12 本站作者 【 字体:大 中 小 】
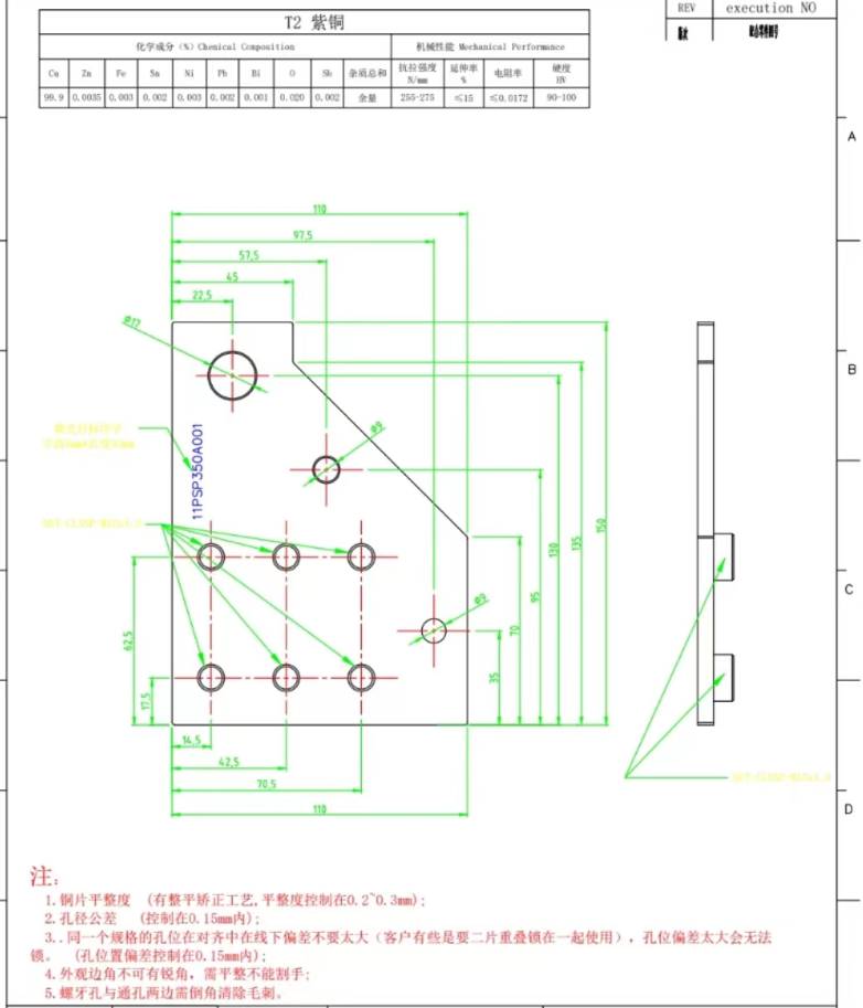
寻机加工生产商。批次6万套,一套八个件,材质是T2紫铜的,如图,如图是其他一款,其他件也是差不多的,能做这款其他都可以做的,包工包料,按图纸加工成品,我司在东莞寮步/龙华,对机加工厂无地区要求,能做的请联系,但是价格要合理的,可加微信沟通

猜你喜欢
寻求深莞有做自攻自钻的加工厂,量有四款
2021-10-14
621
621
寻求深莞惠地区的车床+电镀加工厂,目前有2万件的铜件产品需要做
2021-07-15
733
733
寻求深惠莞附近挂镀真金的电镀加工厂,价格,打样OK
2021-08-03
823
823
寻求龙华,塘厦周边小型数控车床加工厂,量比较多的
2021-11-15
820
820
寻求深惠莞冷镦工艺的加工厂,具体量看客户订单量
2021-11-09
776
776
寻求长安附近不锈钢高光加工厂,需求量有几十件~上百件
2021-09-18
819
819
寻求东坑附近激光切割加工厂,材质是A3钢的
2021-09-08
739
739
寻求焊接切割的加工厂,每月都有800套,一套款
2021-09-29
626
626
寻找东莞清溪、塘厦、凤岗地区激光焊接加工厂,量有2万件
2020-11-25
638
638
寻求中山激光焊接的加工厂,材质是不锈钢304的厚度是0.3mm,中山有可以做的请联系
2021-05-14
768
768 