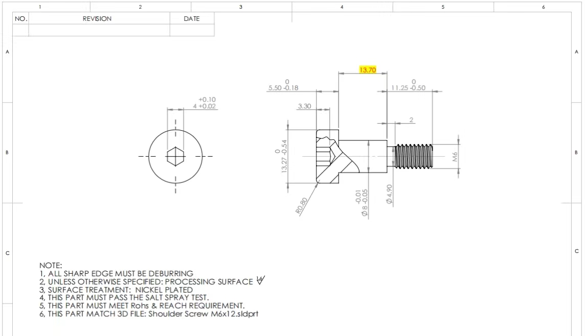
寻能做如图五金件的加工厂,新产品,年需求大概80k,铁的
2024-05-13 本站作者 【 字体:大 中 小 】
寻能做如图五金件的加工厂,新产品,年需求大概80k,铁的,包工包料,我司在塘厦,深惠莞有能做联系

猜你喜欢
急需五金脱漆加工厂,目前有一万多件,材质是铝合金的
2021-08-28
986
986
寻求广东镭雕加工厂,数量1000套,铁材质的
2021-08-18
859
859
寻求可以做水槽的加工厂,打样一件,后续大概40多件
2021-10-08
752
752
寻求贵州遵义附近做氧化钛挂具的加工厂,目前大概是做10多件的
2021-11-03
685
685
寻求东莞附近做铝材拉伸+缩口+攻牙+氧化的加工厂
2021-07-21
789
789
寻求五金/蚀刻加工厂,长单每批都2万套左右
2021-11-23
860
860
寻求做产品图的加工厂,需求量一千件,材质镀铬棒,不锈钢都可以
2021-05-08
743
743
寻求做电子烟配件的CNC供应商,量一个月1000套(7000件)
2021-08-17
702
702
寻求深圳或者东莞机加工的合作供应商,量不定的
2021-10-20
879
879
寻找快走丝/中走丝的加工厂,目前有四套模具要做,是700*700的模板
2021-05-14
612
612 