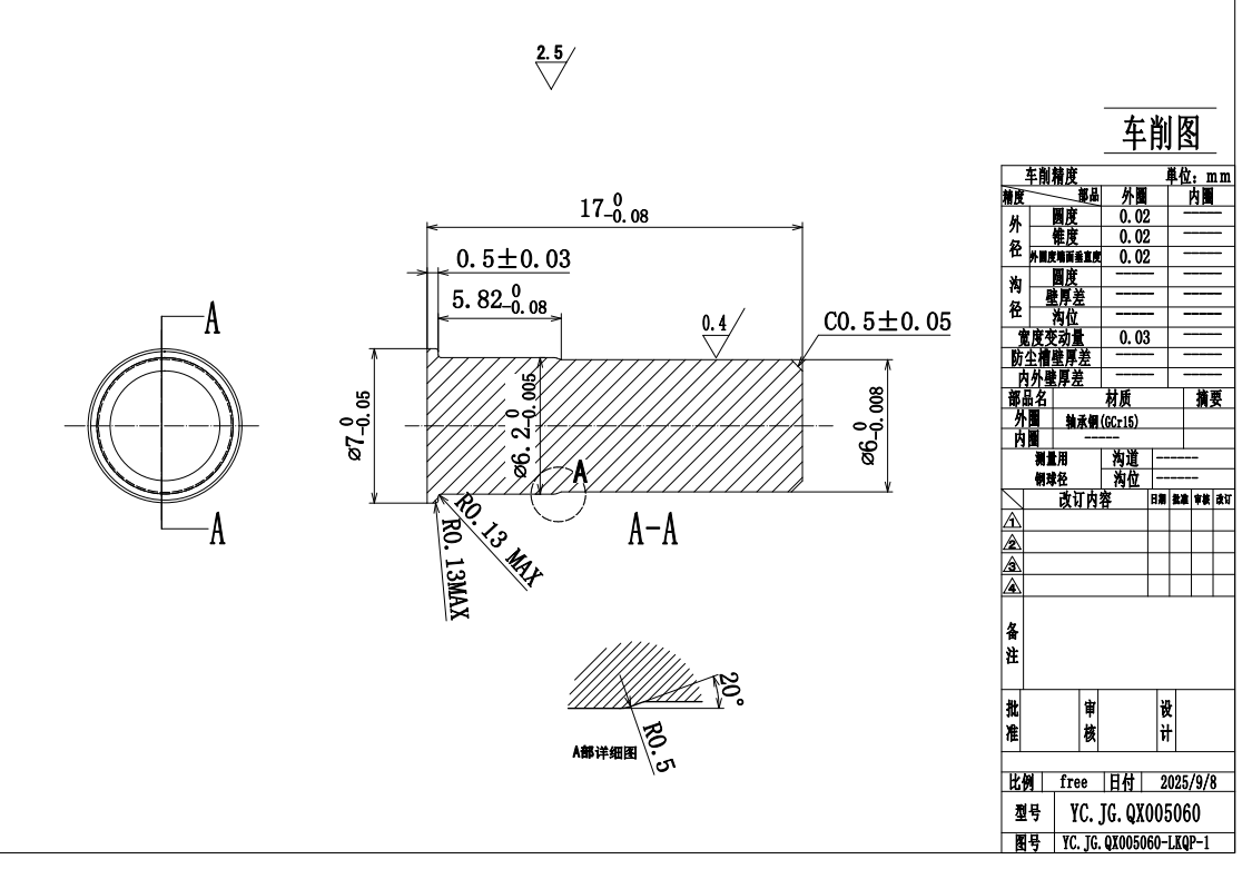
车削件外发加工,每个月30万件,材质是轴承钢(GCr15)的。如图,包工包料,根
2025-11-12 本站作者 【 字体:大 中 小 】
车削件外发加工,每个月30万件,材质是轴承钢(GCr15)的。如图,包工包料,根
据图纸需求加工就可以,工艺没有什么要求,我司在常州,无地区要求,做联系

猜你喜欢
寻求松岗,沙井,福永附近镭雕黑色加工厂,量每批每款几十件~几百件
2021-08-04
674
674
寻求东莞万江周边钣金加工厂,量一个月可以做几百套设备的
2021-11-15
830
830
寻找东莞清溪附近地区电镀或热镀锌加工厂,每年有4万套这样
2021-10-25
876
876
寻求做弯管的加工厂,量暂时五百套,材质是304不锈钢的
2021-05-27
685
685
寻求深圳东莞cnc加工厂,现在是打样一件,后面量不定
2021-11-01
904
904
寻求深惠莞专业做12无线充的铝壳的加工厂,量每批几千几千件下的(五六千件)
2021-08-27
1074
1074
寻求可以做打孔攻牙的加工厂,量每月六千件
2021-10-06
1014
1014
寻求数控车床的加工厂,需求量目前有4000套,一套三个工件
2021-08-16
629
629
寻求松岗附近专业做磨床加工厂,量有16件,材质是2344
2021-08-04
834
834
寻求深圳周边有做手环TPU表带的加工厂,需求量是根据客户订单来的
2021-07-28
697
697 