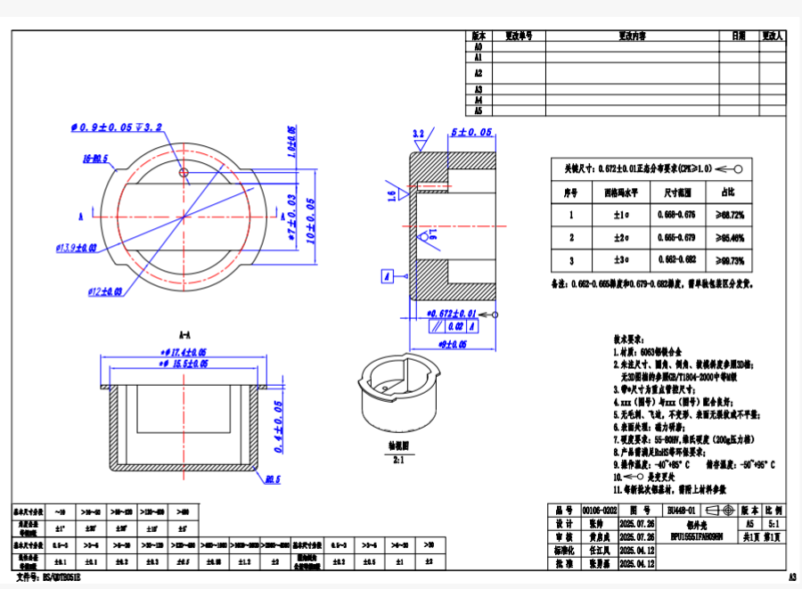
寻车床+磁力研磨加工厂,一年需求量大概200万,如图,是一款铝
2025-11-17 本站作者 【 字体:大 中 小 】
寻车床+磁力研磨加工厂,一年需求量大概200万,如图,是一款铝
外壳,来料加工,我司在江苏常州,无地区要求,有做的联系

猜你喜欢
寻求能做如图工件机加厂商,先打样20件,后期量还不定
2021-09-17
647
647
急需寻求车铣复合加工厂,量有1500套,材质是铝合金的
2021-11-04
903
903
寻求苏州自动车床加工厂,要求有5-6机,可以包2个月
2021-07-09
972
972
寻求专业做铝件锻压加工厂,每月都有,一款五千~六千件
2021-08-25
1028
1028
寻找深圳福永附近地区专业打磨塑胶产品加工厂,现在有3000件可以做的
2021-08-12
651
651
寻求cnc机加工合作厂,量每款按MOQ25K及50K 报价
2021-07-28
799
799
寻找深圳公明或东莞近点地区有弹簧机加工厂,量按10K起报
2021-11-08
775
775
寻找东莞地区高光和精雕加工厂,目前量有600个
2021-10-14
653
653
寻找有做如图铜件产品厂家,每月固定用量10万件
2021-07-03
900
900
寻找深圳光明附近附近地区蚀刻加工厂,量还不定
2021-07-01
941
941 