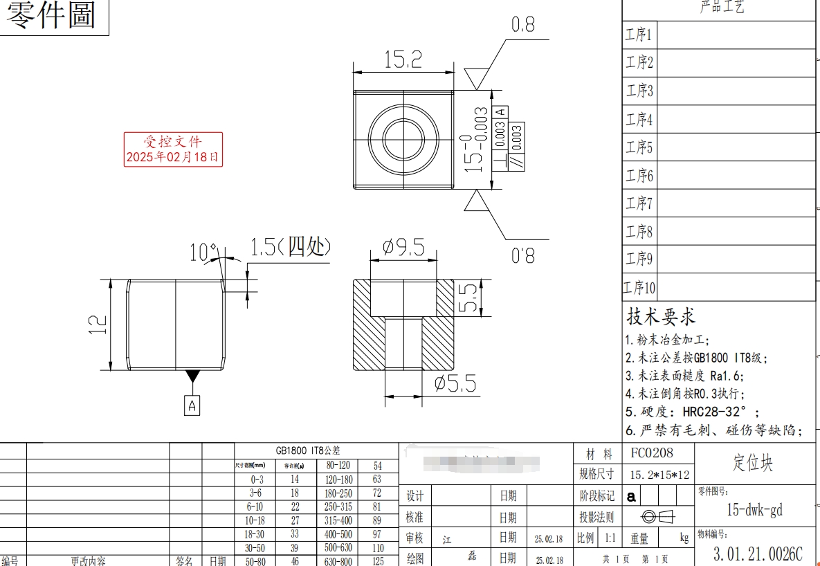
寻求平面磨的加工厂,每个月五万片块的产品需要做,是一款粉末冶金产品的工件,
2025-11-18 本站作者 【 字体:大 中 小 】
寻求平面磨的加工厂,每个月五万片块的产品需要做,是一款粉末冶金产品的工件,不会很大的
,如图,来料加工,我司加好毛坯的,厂家直接做平面磨就可以,要求能平磨公差0.003的产品,
我司江苏常州的,无地区要求,能做的可以联系

猜你喜欢
寻求深莞有可以做非标卡簧的加工厂,量每批几千件
2021-10-12
661
661
寻求长安,虎门,长安附近铬化表面的加工厂,订单量不确定
2021-07-15
897
897
寻求切割弯管的加工厂,一天需求五千支~一万支,材质是铁的
2021-07-30
1125
1125
寻求深惠有做手机车载支架和耳机转接线加工厂,长期需求量的
2021-09-10
1010
1010
寻求数控车床,CNC长期配合加工厂,配合好的月需求有五十万~六十万货款
2021-05-31
970
970
寻求寮步周边雕刻亚克力板或者PVC板的加工厂,现在有十几个卡板
2021-11-17
994
994
寻求长安附近五轴联动加工厂,量是每月都有,具体不定
2021-08-12
996
996
寻求数控磨床加工厂,先打样两件,打样OK后才知道
2021-05-11
889
889
寻找东莞长安到松岗碧头一带自动机拉丝加工厂,量是很大的
2021-09-10
1084
1084
寻求东莞附近溜光加工厂,量从八月-年底有两百万件
2021-07-02
615
615 