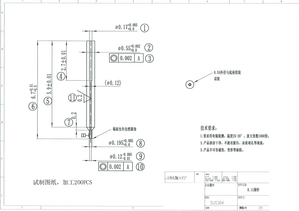
找能做探针的加工厂,先打样200件,后面有订单,材质是sus304的。探针产品,包
2025-11-18 本站作者 【 字体:大 中 小 】
找能做探针的加工厂,先打样200件,后面有订单,材质是sus304的。探针产品,包
工包料,我在沙井,深惠莞有厂家可以做联系

猜你喜欢
寻找深圳公明或东莞近点地区有弹簧机加工厂,量按10K起报
2021-11-08
787
787
寻求做产品图的加工厂,如图,需求量3000件
2021-11-05
825
825
寻求深惠莞可以做铝件的加工厂,如图,直径大概27mm
2021-09-23
922
922
寻求塘厦附近车床加工厂,量有4000件,材质是不锈钢316的
2021-08-30
1024
1024
寻求五金冲压拉伸加工厂,公司在深圳松岗,深惠莞有可以做这款产品的五金加工厂请联系
2021-05-14
809
809
寻求珠三角地区有可以做数据线生产加工厂,量每月大概25万件条
2021-07-09
761
761
寻求深惠莞cnc电脑锣加工厂,材质是铝的,是军工产品上的工件
2021-10-14
797
797
寻求做精密螺丝的加工厂,需求量几万件都有的每批
2021-10-25
1029
1029
寻找珠三角地区抛光加工厂,长期有货,批次不一定,有时候几吨
2021-08-05
657
657
寻找广东范围地区贴高温绝缘膜加工厂,最低100K/月
2021-10-18
624
624 