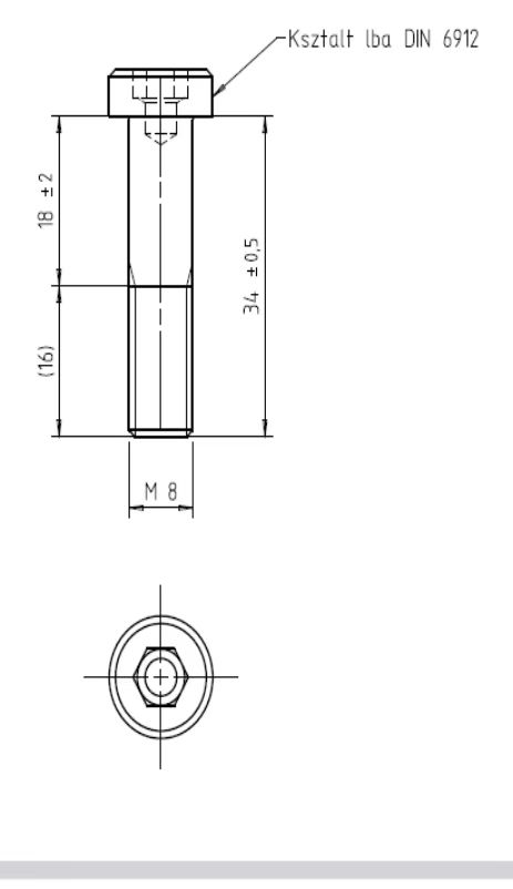
寻能做如图螺丝的加工厂,数量220000个,304不锈钢材质,如图一
2025-11-19 本站作者 【 字体:大 中 小 】
寻能做如图螺丝的加工厂,数量220000个,304不锈钢材质,如图一
款螺丝,包工包料,我司在河北,无地区要求,有做的联系

猜你喜欢
寻求专业做冲压精密模具的加工厂,目前十几套冲压模具要开
2021-09-22
1047
1047
寻求凤岗,清溪,塘厦等附近的车铣+机加工的加工厂
2021-10-10
957
957
寻求做产品图的五金厂,先做300件,材质是不锈钢,铁的
2021-08-27
653
653
寻找东莞桥头或附近地区拉白钝化加工厂,每天都有几千套
2021-11-24
626
626
代友寻求做产品图的加工厂,两款,每月270万件的订单量
2021-09-01
837
837
寻求广东有做电器开关件的加工厂,每月上万件的订单量
2021-10-27
651
651
寻求五金喷粉加工厂,一个月可外发5万~10万货款出去加工的
2021-07-08
948
948
寻求东莞横沥附近车铣/数控车床加工厂,数量1000件
2021-07-14
895
895
寻求东莞地区做不锈钢冲压拉伸的加工厂,预计上百万件电子烟雾化管需要做
2021-07-31
1094
1094
寻求做金属外壳的五金加工厂,量还可以,每月量少的话都有几万件
2021-07-29
890
890 