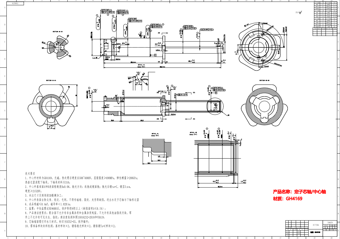
寻能做如图金属机加件的加工厂,每月50套,材质:GH4169,产品名称:定子芯轴/中
2025-11-19 本站作者 【 字体:大 中 小 】
寻能做如图金属机加件的加工厂,每月50套,材质:GH4169,产品名称:定子芯轴/中
心轴,包工包料含税含运成品交货,我司在是深圳,无地区要求,有做的联系

猜你喜欢
寻找做激光切割的加工厂,现在有两百多件首批打样,后续批量还可以
2021-05-08
975
975
寻求激光切割+焊接+喷粉的加工厂(可以分开外发),目前量有1000套
2021-07-12
735
735
寻找东莞清溪周边做五金加工和磁铁的加工厂,需要先打十套样品
2021-05-27
860
860
寻求镁锂合金镀镍的镀镍电镀加工厂,量目前还不确定
2021-09-08
628
628
寻求大岭山,长安附近打磨加工厂,目前我司找配合加工的
2021-10-26
1014
1014
寻求有做太阳能钥匙扣的加工厂,有现货的可以提供现货
2021-08-25
696
696
寻求惠阳周边冲压加工厂,要求厂家有600吨左右的机台的
2021-10-26
752
752
寻求自动车床加工厂,有十一款规格, 每个规格数量两千多件
2021-09-02
1026
1026
寻求有做植绒的加工厂,量还比较大,具体要看客户的订单量
2021-11-18
950
950
寻求深惠莞附近有做铝合金手表壳 +IML底壳的加工厂,需求量50~200k不等
2021-10-10
685
685 