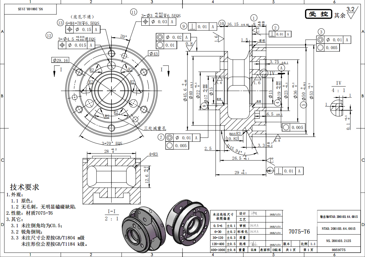
寻能做如图输出轴的加工厂,量大,如图,7075-T6材质,按图纸,包
2025-11-24 本站作者 【 字体:大 中 小 】
寻能做如图输出轴的加工厂,量大,如图,7075-T6材质,按图纸,包
工包料,我司在东莞,无地区要求,有做的联系

猜你喜欢
寻求做产品图的加工厂,量一次一万件,材质是不锈钢304的
2021-07-23
830
830
寻求深惠莞做弹片的五金厂,量一个月大概500W件
2021-07-10
954
954
寻求东莞附近自动车床加工厂,量三款的数量加起来大概是九万六千多件
2021-08-02
598
598
寻求车床加工厂,量有50/100件,材质是SAE1117或者是Y20Mn
2021-09-11
905
905
寻求惠州周边有加工pvc圆管的加工厂,具体需求量看生产厂家的起订量
2021-11-16
708
708
寻求做不锈钢弹片的加工厂,材质是不锈钢201
2021-11-10
724
724
寻求东莞黄江附近有可以做产品图的包装材料的工厂,量有点多
2021-07-22
912
912
寻求东莞周边塑料加工厂,产品如图,一次订单量十万件
2021-11-17
1009
1009
寻求东莞附近铸铁的加工厂,量一个月三千~五千件,材质是铸铁的
2021-08-11
714
714
寻求广东地区CNC精雕加工厂,这个单客户说量是很大的
2021-10-11
762
762 