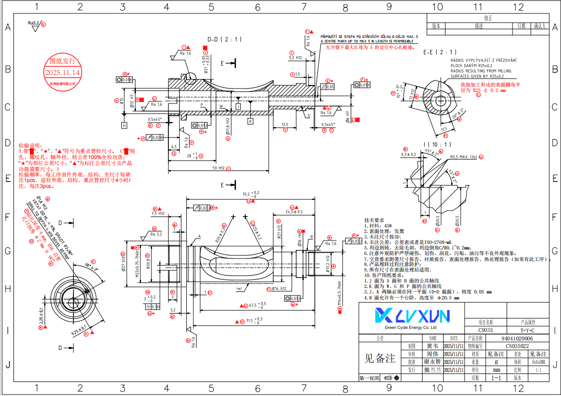
寻做模具非标配件的加工厂,有500套,如图,按图纸,包工包料,
2025-11-24 本站作者 【 字体:大 中 小 】
寻做模具非标配件的加工厂,有500套,如图,按图纸,包工包料,
我司在江苏苏州,无地区要求,有做的联系

猜你喜欢
寻求铝管折弯加工厂,目前订单有1-2万件,后面一个月有100万件
2021-08-03
807
807
寻求做小批量cnc电脑锣三轴的加工厂,有10款
2021-09-08
864
864
寻求五金冲压加工厂,有两款冲压件,每款年需求量各300万件
2021-11-19
635
635
寻找深圳光明附近附近地区蚀刻加工厂,量还不定
2021-07-01
927
927
寻求做产品图的五金加工厂,常年单,量是一万一万件起的
2021-07-06
721
721
寻求东莞附近cnc电脑锣加工厂,目前有三百套产品外发加工
2021-09-14
1057
1057
寻求有钣金跟数控车床加工合作加工厂,量目前有100套
2021-10-19
935
935
寻求做铸铁的加工厂,一个月大概有1-2千件,材质铁的
2021-11-09
816
816
寻找深圳坪地附近做慢走丝的加工厂,是模具件,长期需求
2021-09-29
574
574
寻求做弯管的加工厂,量每月三万多件,材质是不锈钢316L的
2021-07-05
597
597 