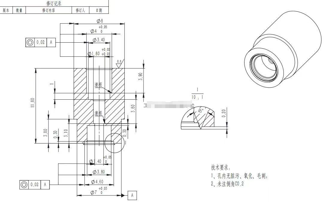
寻能做如图不锈钢产品的加工厂,数量2000,不锈钢材质,包工包料,我司
2025-12-08 本站作者 【 字体:大 中 小 】
寻能做如图不锈钢产品的加工厂,数量2000,不锈钢材质,包工包料,我司
在山东,无地区要求,有做的联系

猜你喜欢
寻求东莞地区做手机制程模切保护膜加工厂,一个月大概二三十万
2021-10-08
876
876
寻求折弯加工厂,量目前不确定,先打样,材质是铁的
2021-10-20
799
799
寻求机加工+烤漆的加工厂,材质是Q235的
2021-05-12
677
677
寻找东莞黄江附近地区喷油加工厂,是铝材质的产品,规格100*100,我司在东莞黄江,黄江附近有空做的联系
2021-05-14
925
925
寻求海南地区的注塑加工厂,前期一万件,全年预计300万件
2021-08-18
781
781
寻求深惠莞附近专业做自动化设备零件的加工厂,每月300-500万采购单
2021-07-09
942
942
寻求CNC机加工的加工厂,目前月用量1000套,一件和五件
2021-07-12
910
910
寻求做不锈钢宠物碗的加工厂,目前量不好说
2021-11-23
1046
1046
寻求东莞地区专业做喷油夹具的加工厂,我司这边是有很多产品的种类要做夹具的
2021-11-09
694
694
寻求长安,虎门附近四轴cnc加工厂,先打样几十件
2021-10-19
712
712 