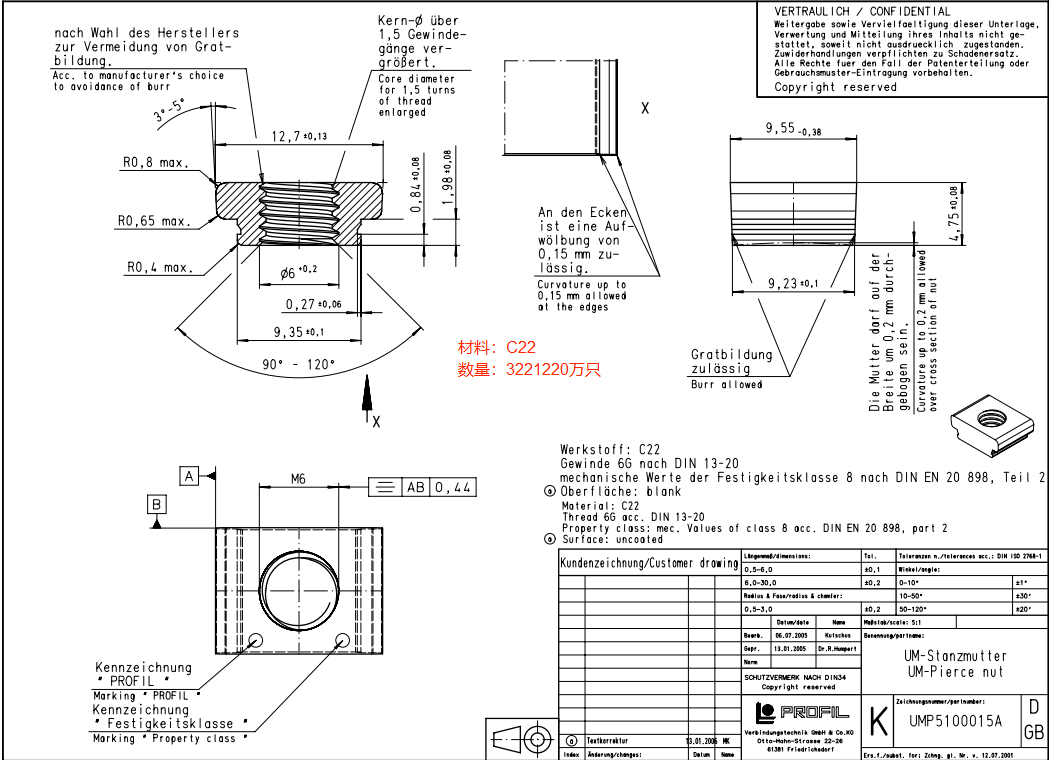
寻能做如图几款产品的加工厂,量都是比较多,是冲压件以及螺母件,材质都是c22的
2025-12-08 本站作者 【 字体:大 中 小 】
寻能做如图几款产品的加工厂,量都是比较多,是冲压件以及螺母件,材质都是c22的,如图,都是包工包料
根据图产品加工,加工成品,厂家看能做哪些产品,不要求一家都可以做,我司在温州,无地区要求

猜你喜欢
求珠三角地区有螺丝机的加工厂,每月需求20万件,有几款
2021-05-28
964
964
寻求长安,松岗,虎门附近冲压加工厂,目前有4-5款配件
2021-11-23
961
961
寻求横沥高光的加工厂,量一千件,材质是65Mn,包工包料
2021-08-09
1068
1068
寻求五金厂做五金件的合作厂,月需求100k套,一套四个件
2021-09-04
898
898
急需寻求深莞精雕+高光的加工厂,量比较大,月需求都有几十万件
2021-08-24
808
808
寻求合作的机加工厂商,每天都有订单,一个月平均下来不止上万件的
2021-11-03
1076
1076
寻求车床加工厂,先做十件,每月五十件,材质是无缝管钢管的
2021-08-24
616
616
寻求松岗,沙井,福永附近镭雕黑色加工厂,量每批每款几十件~几百件
2021-08-04
674
674
寻求深莞走心机+阳极氧化本色的加工厂,有60万件
2021-07-20
763
763
寻求钣金,CNC 加工加工厂,需求量先各做三件,三款,后面有量的
2021-08-16
638
638 