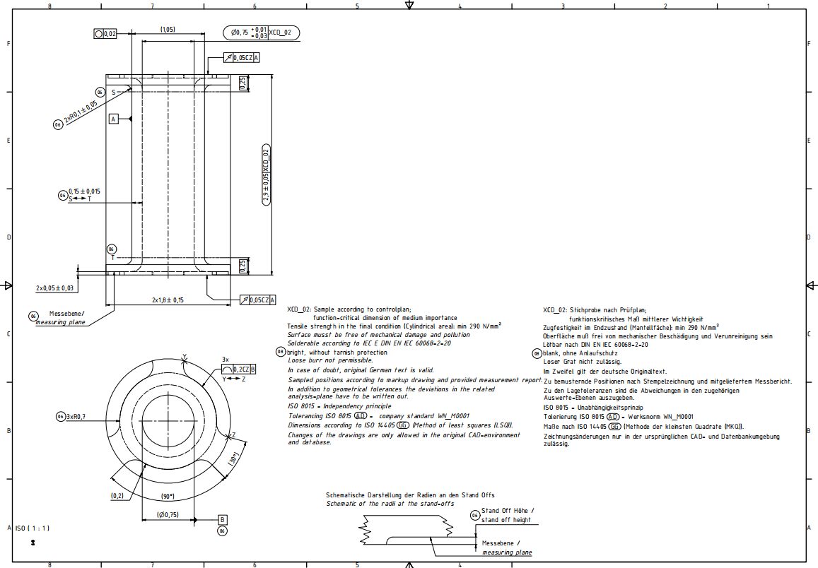
寻能做如图产品的加工厂,量大,如图,五金材质,按图纸
2025-12-12 本站作者 【 字体:大 中 小 】
寻能做如图产品的加工厂,量大,如图,五金材质,按图纸
包工包料,我司在东莞石排,深惠莞有做的联系

猜你喜欢
寻找能做上图注塑件的工厂,量按1-2K报价
2021-09-29
995
995
寻求珠三角地区做高铝玻璃激光打孔的加工厂,大概2-5K/天
2021-08-10
1036
1036
寻找能做如图工件折弯加工厂,现在有1千套
2021-08-26
1027
1027
寻找深圳福永或周边地区五金冲压+氧化加工厂,量每月10万件
2021-11-20
1062
1062
寻找东莞大岭山附近地区龙门铣加工厂,还没做过,要先打样
2021-09-15
793
793
寻求3D激光切割的加工厂,量每批每款型号有几百件
2021-05-08
1018
1018
寻求惠莞深地区电镀亮铬的电镀加工厂,目前有1000件
2021-10-25
810
810
寻求钣金加工厂,目前有四款, 每款打样一件,后面量不定
2021-07-01
600
600
寻求惠州周边有加工pvc圆管的加工厂,具体需求量看生产厂家的起订量
2021-11-16
734
734
寻求专业做五金钣金的配合加工厂,量每月基本都有50台非标设备要加工的
2021-10-10
1028
1028 