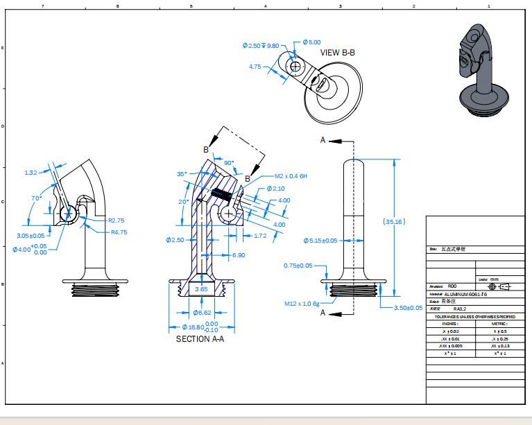
寻能做CNC五轴的加工厂,分5K/10K/20K采购量报价,如图,铝件,
2025-12-26 本站作者 【 字体:大 中 小 】
寻能做CNC五轴的加工厂,分5K/10K/20K采购量报价,如图,铝件,
包工包料,我司在浙江温州,无地区要求,有做的联系

猜你喜欢
寻求长安附近不锈钢高光加工厂,需求量有几十件~上百件
2021-09-18
814
814
寻求五金烤漆加工厂,每批量一百万件,材质是铁的
2021-11-16
990
990
寻求可以做自行车架子的加工厂,目前有1500套,出口产品
2021-05-28
855
855
寻求东莞附近走心机加工厂,一款工件200万件起步,一共有六款工件
2021-08-30
981
981
寻求深圳观澜,塘厦周边普车的加工厂,量不多
2021-10-22
1072
1072
寻求广东地区做这种简易移动集装箱的加工厂,预计需求5万个
2021-08-25
812
812
寻求深莞精雕三轴的加工厂,需求量300万左右的订单量
2021-09-17
1055
1055
寻求攻牙的加工厂,材质不锈钢316,量是有的,量是每天都有
2021-05-11
1138
1138
寻求深莞惠地区做螺母和牙条的五金加工厂,大概合计做7000多件
2021-08-31
861
861
寻求深莞惠地区做活塞杆超长件加工厂,每月500件
2021-09-28
1115
1115 