登录
注册
退出
搜索
购物车
首页
机械五金
电化学
涂装加工
印刷加工
铸造成型
化学表处
物理表处
智工人才
智工专家
化工材料
采购订单
公司新闻
关于爱制造
推荐
五金
电化
涂装
印刷
铸造
化学表处
物理表处
智工人才
智工专家
化工
机器设备
新闻资讯
关于我们
寻求东莞虎门,长安周边长期合作的攻牙加工厂,量不定
机械五金
2022-03-25
853
寻求东莞大朗附近地区拉丝加工厂,量每天都有的
机械五金
2022-03-25
541
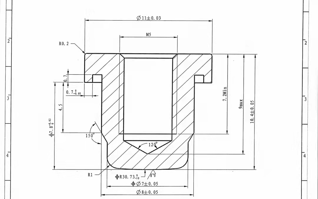
寻求做如图工件的加工厂,目前先打样一两件
机械五金
2022-03-25
843
寻求专业做钥匙扣的加工厂,量每天出货两万件
机械五金
2022-03-25
868
寻求凤岗,清溪周边长期合作抛丸加工厂,量每批五百件
机械五金
2022-03-25
818
寻求CNC机加工+攻牙+硬质氧化加工厂,量每月一百套
机械五金
2022-03-25
955
寻求茶山周边冷墩或者车铣加工厂,速打样1000pcs
机械五金
2022-03-25
1015
寻求东莞清溪周边注塑加工厂,每月几千件,材质是塑胶pp的
机械五金
2022-03-24
613
寻求深莞地区包胶的加工厂,月需求量按万件计算
机械五金
2022-03-24
542
寻求长安 ,松岗,沙井周边镶钻供应商,月需求量一百万起步
机械五金
2022-03-24
702
首页
上一页
716
717
718
719
720
下一页
末页
热门标签
HOT
热门推荐
猜你喜欢
寻求东莞地区激光自动焊接加工厂,量是长期有的
寻求发黑加工厂,有3-4千件,每月都有
寻求五金浸塑加工厂,材质是铁的,盒子的规格大概有两个巴掌大
寻找东莞长安附近地区能做如图车铣轴件加工厂,现在要用5万件后期还会用5万
寻求深惠莞齿轮的加工厂,首次订单100套,后续5000/月
代友寻求做电筒的加工厂,目前要1000件,材质没有要求
寻求车床加工厂,一共有9款,一款年需求量108000件
寻求做铝材质瓶子的五金加工厂,首批五万件,第二批十万件
寻求广东区域冲压拉伸和螺母加工厂,前期需求量有一百万套
寻求长安,大岭山,虎门周边冲压和钣金加工厂,一个月十多万套