寻能做普通镀钛的加工厂,目前有400件
2022-12-12 本站作者 【 字体:大 中 小 】
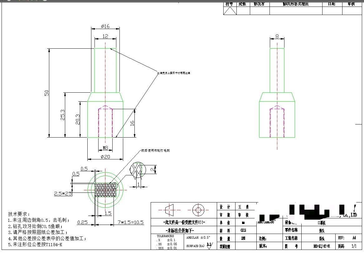
寻能做普通镀钛的加工厂,目前有400件,材质是s136材料,如图,是口罩机的工件,普通镀钛就可以,公司在深圳,深圳附近有能做的联系,微信同号,可加微信沟通

猜你喜欢
寻找做非金属水镀真金的厂家,预估一年10万件
2021-05-08
743
743
寻求电泳黑色加工厂,年需求量六十万件,年前先打样36件
2021-01-28
834
834
寻找深莞惠地区做镀铂金/镀钌的加工厂,首单各五千件
2021-05-12
822
822
寻求电镀白锌的电镀加工厂,目前有三千多件,后续是有量的
2022-01-04
872
872
寻求做电镀挂具的加工厂,量不定,要做的挂具如图,电镀工艺用的
2021-05-11
1071
1071
寻求挂镀银白色的电镀加工厂,量一个月四千套,材质是304
2021-11-10
738
738
寻求珠三角地区做铜条电镀本身的加工厂,目前首批五千件
2021-07-18
961
961
急需寻求IC电镀金的加工厂,量还可以,都是几十万件
2021-11-09
651
651
寻求化学镍的电镀加工厂,量还挺多的, 每天都在做的
2021-10-08
961
961
寻找真空镀加工厂或者真空镀设备厂商,目前订单量有2千万件
2021-11-17
1043
1043 