寻珠三角地区电镀硬铬的配合电镀加工厂,目前需要打板
2023-05-15 本站作者 【 字体:大 中 小 】
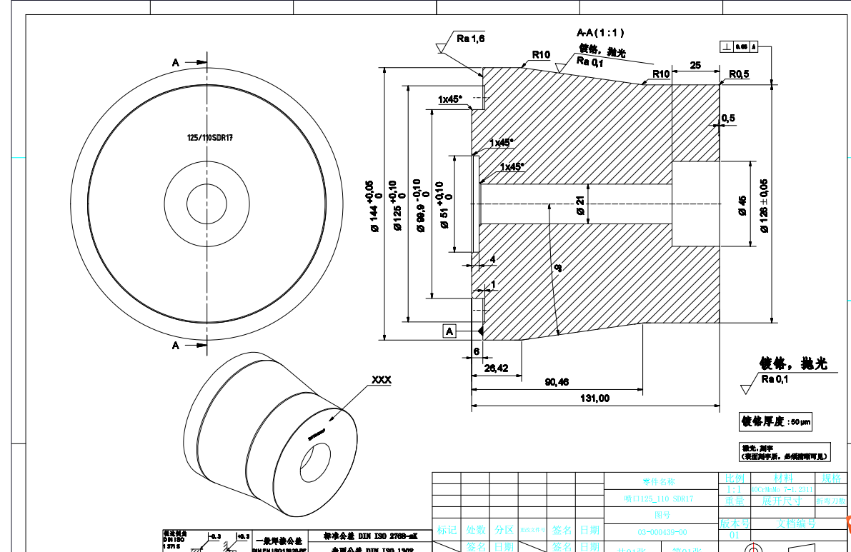
寻珠三角地区电镀硬铬的配合电镀加工厂,目前需要打板,四个图纸四款产品,材质是合金钢,产品的规格还是蛮大的,盐雾测试没有要求。要求镀层要求达到50um,产品是一款功能件,注塑机一些部件,厂家只做电镀就可以,抛光什么我司这会做好,我司在广州从化,珠三角地区有做挂镀硬铬的联系

猜你喜欢
寻求做不锈钢镀铬加工厂,长期订单,量挺大
2021-12-20
714
714
寻求uv电镀的加工厂,材质是锌合金,是一款压铸件的工件
2021-06-08
961
961
寻求电镀镍的加工厂,开始小批量试产,后面量比较大
2021-08-24
919
919
代友寻求挂镀亮镍的加工厂,量是每天都有的
2021-09-24
1037
1037
寻求镀黑钛的电镀加工厂,目前有20张图纸的产品要电镀的
2021-12-10
976
976
代友寻求黄江附近水镀亮铬色的电镀加工厂,量还可以,长期的
2021-07-05
941
941
寻求塑胶电镀拉丝加工厂,目前是打样阶段,量不确定
2021-07-30
1245
1245
寻求挂镀亮锡的电镀加工厂,材质是5052铝板,厚度是4mm
2022-01-05
679
679
寻找深圳、东莞附近地区滚印(要无缝衔接)加工厂
2021-07-19
978
978
寻求稳定合作滚镀银的电镀厂,一款产品年用量在300-1000万件左右
2021-05-11
973
973 