寻镀铬电镀加工厂合作,需求量按1000/5000/10000件评估
2024-01-20 本站作者 【 字体:大 中 小 】
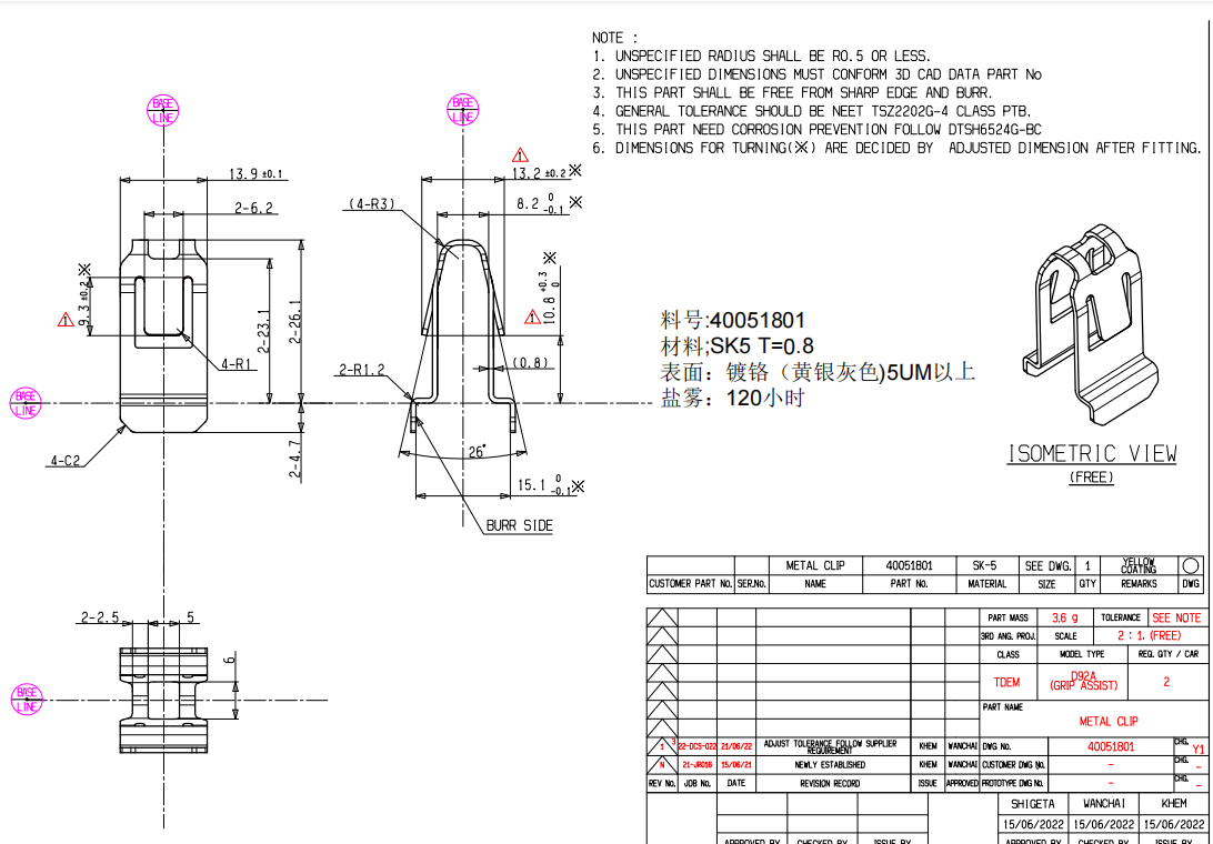
寻镀铬电镀加工厂合作,需求量按1000/5000/10000件评估,材质是SK5,厚度是0.8mm,如图,要求做镀硬铬,盐雾测试120小时,膜厚5um以上,我司在东莞大岭山,深惠莞周边有能做的联系,微信同号

猜你喜欢
寻求滚镀电镀加工厂,镀青古,红古,白铜锡
2021-10-25
914
914
寻找东莞凤岗附近地区电镀化学镍加工厂,每个月有十几万根
2021-10-12
646
646
寻找深圳宝安或周边地区无氰镀铜加工厂,目前有2-3万件这样
2021-12-24
700
700
寻求江浙沪地区电泳白色加工厂,每月1万件这样
2021-11-02
815
815
寻求镀镍+局部镀金的电镀加工厂,产品如图
2021-10-08
625
625
寻找深圳松岗或附近点东莞这边地区挂镀哑镍加工厂,前期量不会很多
2021-11-24
742
742
寻求广州做玻璃/膜光学镀的加工厂,一个月2万片手机后盖或者PET转印膜(UV纹理转印)需要做光学镀
2021-05-14
668
668
寻求长安附近水镀银色加工厂,头批有40件,后面批量一百件那样
2021-12-23
1048
1048
寻找镀六价铬白铬的加工厂,长期单,一个月几千件的样子
2021-05-11
735
735
寻求镀磁铁的电镀加工厂,量一次下单有几万件
2021-10-11
1004
1004 