登录
注册
退出
搜索
购物车
首页
机械五金
电化学
涂装加工
印刷加工
铸造成型
化学表处
物理表处
智工人才
智工专家
化工材料
采购订单
公司新闻
关于爱制造
推荐
五金
电化
涂装
印刷
铸造
化学表处
物理表处
智工人才
智工专家
化工
机器设备
新闻资讯
关于我们
寻东莞周边激光焊接的加工厂,月需求有五六十万件产品要加工
机械五金
2023-11-27
1015
寻东莞周边四轴机五轴机、车铣复合机的加工厂,月需求五万件
机械五金
2023-11-27
984
寻找珠三角地区四轴机加工厂,比较大批量的,需要厂家有10台四轴机设备以上
机械五金
2023-11-27
566
粉末冶金外发加工,月需求32万件,材质是不锈钢的
机械五金
2023-11-24
628
寻长安周边做塑胶件的加工厂,有很多款,每款月大概几千件
机械五金
2023-11-24
1011
五金件产品外发加工(车床或者五金冲压都可以)
机械五金
2023-11-24
995
寻求:精密机加工的加工商,数量不用担心,有量的
机械五金
2023-11-24
768
寻找10台或以上数控车床加工厂,我们长期有货外发
机械五金
2023-11-24
891
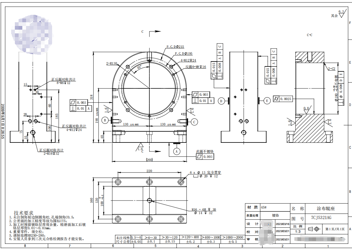
寻能做如图五金件的加工厂(找专业做弹簧的),月需求一万件
机械五金
2023-11-23
733
寻找深圳光明区或东莞黄江镇吸塑加工厂,量大,要求每天能出10万个
机械五金
2023-11-23
602
首页
上一页
405
406
407
408
409
下一页
末页
热门标签
HOT
热门推荐
猜你喜欢
寻求深莞长期合作的塑胶产品的加工厂,量每批最低是一千~两千件起做
寻求钣金加工厂,量一个月2-3千套,材质是不锈钢
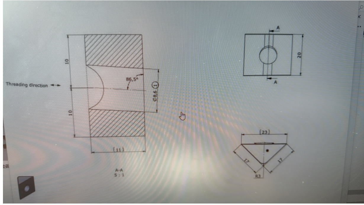
寻求珠三角有做调节丝杆的加工厂,量现在做30件
寻求深惠莞附近冷镦加工厂,月需求量20万套(1套两个工件)
寻求东莞附近压装机的加工厂,目前有一千件,后面有几千件
寻求做产品图的挂钩加工厂,目前需要做1000件,材质是不锈钢的
寻求佛山一带专业做拉伸模具的加工厂,产品如图
急需寻求长安,松岗有做按键CD纹的加工厂,量具体多少还不确定
寻求可以做颈椎按摩器的厂家,一次订单量下5000个
寻求中山附近打砂的加工厂,目前是打样阶段